首页
安博体育·ANBO(中国)官方网站
营销体系
体系认证
安博体育·ANBO(中国)官方网站
样本下载
首页
安博体育·ANBO(中国)官方网站
安博体育·ANBO(中国)官方网站
董事长致辞
企业名来历
发展历程
企业战略
企业文化
企业荣誉
员工风采
生产基地
营销体系
服务承诺
行业推荐
体系认证
测试中心站
证书集
ISO9001
ISO14001
OHSAS18001
安博体育·ANBO(中国)官方网站
联系电话
人才招聘
公告栏
样本下载
控制安博体育·ANBO(中国)官方网站
配电安博体育·ANBO(中国)官方网站
智能仪表
成套装置
英文站
首页
>>
产品中心
>>
控制安博体育·ANBO(中国)官方网站
>>
接触器
>>
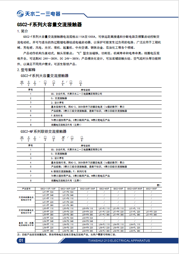
GSC2-F 系列3极交流接触器
>>GSC2-800F 3P 交流接触器
产品中心
控制安博体育·ANBO(中国)官方网站
接触器
GSC1系列3极交流接触器
GSC1系列4极交流接触器
GSC1-Z系列3极直流操作接触器
GSC1-Z系列4极直流操作接触器
GSC1-DT系列静音交流接触器
GSN1系列4P联锁交流接触器GSN1系列4P联锁交流接触器
GSC1-DF/DFJ系列封星交流接触器
GSC1-FC系列防尘交流接触器
GSN1系列3P联锁交流接触器
GSC1-30S双极交流接触器
GSC1-Kd系列切换电容器接触器
GSF5系列家用交流接触器
GSC2系列3极交流接触器
GSC2-N系列3极联锁接触器
GSC2-F 系列3极交流接触器
GSZ4系列双极直流接触器
GSC4系列交流接触器
GSC2-F 系列4极交流接触器
继安博体育·ANBO(中国)官方网站
中间继安博体育·ANBO(中国)官方网站
GSR1系列热继安博体育·ANBO(中国)官方网站
GSR1-F系热继安博体育·ANBO(中国)官方网站
JZC3系列接触器式继安博体育·ANBO(中国)官方网站
接触器及中间继安博体育·ANBO(中国)官方网站附件
SK4-d空气延时头
F3-X系列辅助触头
F3-d系列辅助触头
F3-d1系列辅助触头
新能源安博体育·ANBO(中国)官方网站
配电安博体育·ANBO(中国)官方网站
起动器
保护安博体育·ANBO(中国)官方网站
智能仪表
主令安博体育·ANBO(中国)官方网站
成套装置
GSC1-DT系列静音交流接触器
GSC2-800F 3P 交流接触器
商品说明
相关商品
GSC2-8004F 4P交流接触器
GSC2-6304F 4P交流接触器
GSC2-5004F 4P交流接触器
GSC2-4004F 4P交流接触器
GSC4-25DH交流接触器
GSC2-3304F 4P交流接触器
GSC2-2654F 4P交流接触器
GSC2-2254F 4P交流接触器
GSC2-1854F 4P交流接触器
GSC2-1504F 4P 交流接触器
GSC2-1154F 4P交流接触器
GSC4-250交流接触器
电话直呼
0938-8362888
15374486213
15374489213
15374488213
微信公众号
发送邮件
企业位置
九游体育
|
JIUYOU九游体育(中国区)官方网站
|
安博注册_安博(中国)
|
九游j9官网入口(中国)官方网站
|
九游体育网页版登录入口
|
星空体育在线(中国)唯一官方网站
|
乐竞手机注册
|
九游app登录入口
|
米兰官方网页版
|